revision date: 2022.06.16
1. Introduction
1.1 Smart 6-axis Force Torque Sensor, AFT200-D80
1.2 Key features
•
Smart 6-axis force/torque sensor
•
All-in-one sensor (No additional amplifier)
•
Digital output communications (CAN, etc)
•
Easy installation and data collection
•
Grippers, robot hands, collaborative robot, industrial robot
1.3 Specs.
Index | Unit | Value |
Operating voltage | VDC | 5 |
Max. safe excitation voltage | VDC | 10 |
Nominal force range (F_XYZN) | N | 200 |
Nominal torque range (M_XYZN) | Nm | 15 |
Limit force (F_XYZL) | N | 300 |
Limit torque (M_XYZL) | Nm | 20 |
Dimensions | mm | D80 x H20.5 |
Weight | g | 236 |
Temperature | ℃ | 10-50 |
Sample rate | Hz | 1000 |
Interfaces | 1,000Kbps | CAN |
Wire | Length: 1.5 m | For User:
CAN_H / CAN_L / VCC / GND |
1.4 Flyer
2. Installation Guide
2.1 기본 구성품
•
AFT200-D80 x 1 EA
•
1.5m 케이블 x 1 EA
2.2 체결 (mounting)
•
M5 볼트 5.2Nm 로 체결 필수
•
내/외부 볼트 분해시 성능 보장 불가 및 A/S 불가능
•
케이블 절단 및 과도한 당김 주의
체결 토크를 준수하지 않을 시 데이터가 정상적으로 출력되지 않을 수 있습니다.
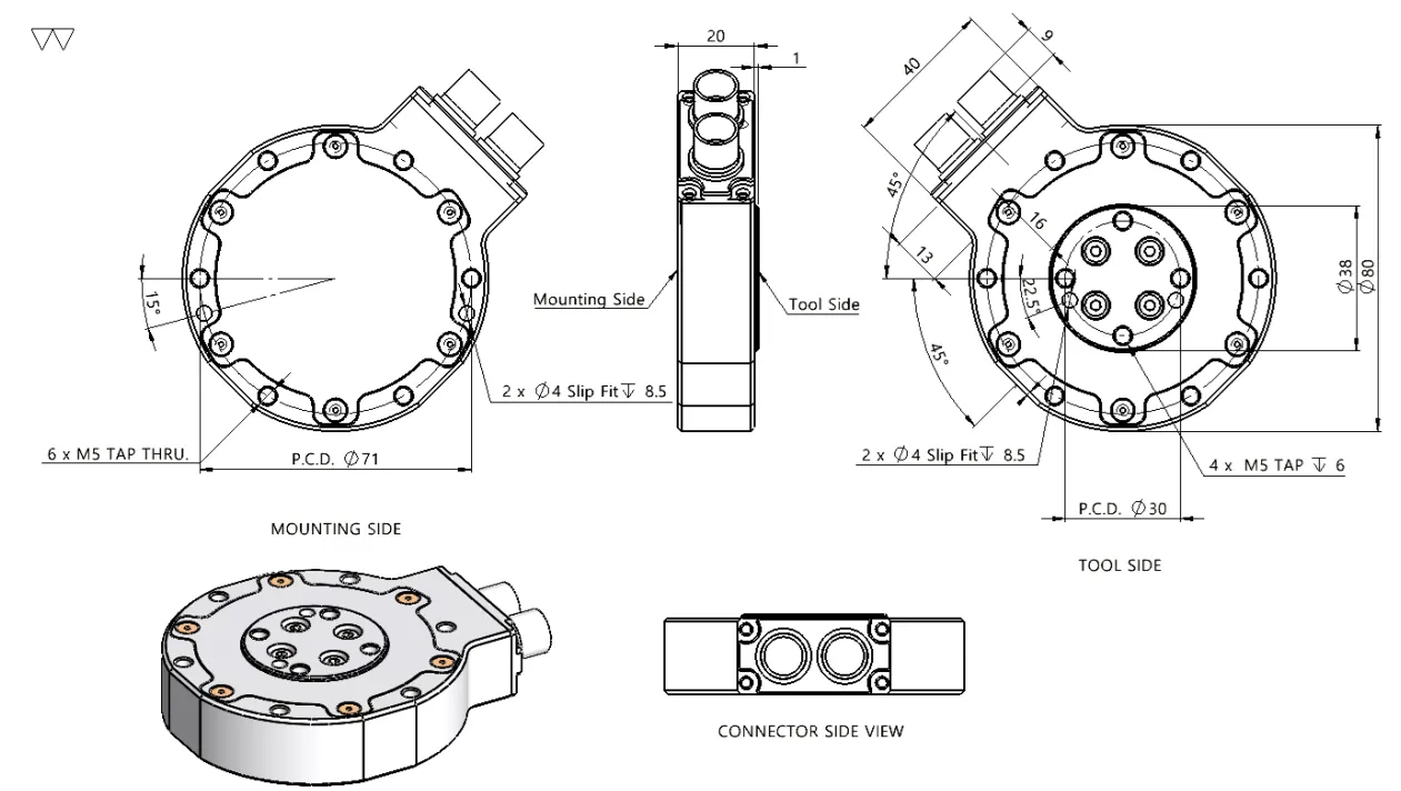
2.3 축 & 치수 정보
2.3 연결 (wiring)
2.3.1 센서 핀아웃
2.3.2 케이블 open-end
•
케이블 핀아웃
◦
Length: 1.5m (기본 옵션)
◦
5V(VCC) - 노란선, 빨간 점선 표시
◦
GND - 핑크선, 빨간 점선 표시
◦
CANH- 주황선, 검은 점선 표시
◦
CANL - 핑크선, 검은 점선 표시
*** S/N. SSAE22BA015 부터는 핀아웃이 수정되었습니다
아래 핀아웃 이용 부탁드립니다
•
5V(VCC) - 주황색, 검은 점선 표시
•
GND - 회색, 검은 점선 표시
•
CANH- 노란색, 검은 점선 표시
•
CANL - 핑크선, 검은 점선 표시
2.4 Data 수신
•
출력 데이터 형식
2.5 Mode setting
CAN ID Setting mode
Bias Setting mode
Bias Clear mode
Continuous transmitting mode
Continuous transmitting mode (Special usage)
Sample rate setting mode
ID Reset, Confirming mode
USB-to-CAN 디바이스
•
다른 CAN 지원 보드를 사용해도 무방하나, 제공하는 샘플 프로그램의 사용을 위해서는 IXXAT사의 컨버터를 사용
USB-to-CAN V2 (ixxat.com), 메뉴얼에서 사용한 버전: 1.01.0281.11001
Downloads and Documentation for Ixxat Products, VCI V4 - Windows 11, 10, 8, 7 [Driver, canAnalyser-Mini, Manuals, LabView and other add-ons]*
•
Ixxat VCI Setup 4.0.xxx.0.exe 필수 설치
*설치 시 VCI V4 체크 및 설치 후 재부팅 필요
3. 소프트웨어
•
샘플프로그램 (IXXAT사 제공)
◦
CanAnalyzer3 Mini
windows버튼 → IXXAT폴더 → IXXAT CanAnalyzer3 Mini
•
에이딘로보틱스사 제공 샘플프로그램
◦
IXXAT CAN VCI V4 및 아래 installer 설치
◦
샘플프로그램 다운로드
◦
센서 연결 후 AFT SERIES SAMPLE.exe 실행
•
샘플 프로그램 실행 시 팝업 화면
1.
CAN 디바이스 선택
디바이스를 선택합니다. 현재 PC에 연결된 디바이스가 목록으로 보입니다. 해당되는 디바이스를 클릭하고 OK버튼을 누릅니다.
※ 샘플프로그램은 IXXAT사의 USB-to-CAN converter을 기반으로 제작되었습니다.
2.
CAN 컨트롤러 선택
이전 단계에서 선택한 디바이스명이 표시됩니다. 아래 컨트롤러 채널을 선택하고 OK버튼을 누릅니다.
3.
CAN 컨트롤러 초기 설정
이전 단계에서 선택한 컨트롤러의 초기 설정을 하는 단계입니다. 프레임과 보레이트를 확인하고 OK버튼을 누릅니다.
•
샘플프로그램 인터페이스 설명
① Program run
샘플 프로그램을 실행합니다.
② Graph plot
6축 힘/토크 데이터(Fx, Fy, Fz, Tx, Ty, Tz)의 실시간 데이터를 그래프로 확인할 수 있습니다.
③ CAN ID
연결된 센서의 CAN ID를 설정합니다. ID가 두 개 이상일 경우, 가장 낮은 ID를 입력합니다. ex) 0x01(1), 0x02(2) 경우, 1을 입력
④ CAN transmit
6축 힘/토크 값을 출력 하도록 CAN message를 보냅니다 [0x102, 0x01, 0x03, 0x01]
⑤ BIAS
6축 힘/토크 데이터를 모두 0으로 초기화 합니다. 설치 및 부착물로 인한 요소들을 제거하여 원하는 힘 값을 측정할 수 있습니다.
⑥STOP
프로그램을 종료합니다. 두 개의 STOP버튼을 모두 누르고 3초 후 프로그램이 종료됩니다.
⑦ Collect Data
힘/토크 데이터 로그를 저장합니다. 아래 페이지의 데이터 저장 관련 설명을 참고하세요.
⑧ Save Data File Path
힘/토크 데이터 로그를 저장 경로를 설정합니다. 아래 페이지의 데이터 저장 관련 설명을 참고하세요.
3.1 데이터로그 저장
1.
저장 디렉토리 설정
폴더 버튼을 눌러 팝업창을 엽니다. 원하는 디렉토리의 파일(.txt)을 선택 후 OK버튼을 눌러 지정합니다. Path에 표기되는 경로를 확인합니다. (해당 Path에 지정 파일이 없을 경우, 자동으로 파일을 생성)
2.
데이터 로그 저장
Collect Data 아래 버튼을 눌러 저장을 시작합니다. 저장 중일 때는 버튼에 형광색 표시가 됩니다. 저장 종료도 동일하게 버튼을 누르면 종료됩니다. 데이터는 파일에 누적으로 저장되어, 각 저장 시 새로운 파일을 지정하여 저장하는 것을 권장드립니다.
3.
데이터 로그 확인
해당 디렉토리의 파일을 열어 저장된 힘/토크 데이터를 확인할 수 있습니다. 데이터는 Fx, Fy, Fz, Tx, Ty, Tz 순으로 각 열에 저장됩니다.



























